服务热线: 0755-27967780
首页
关于我们
产品中心
新闻中心
技术支持
联系我们
AC/DC电源模块
11W
45W
70W
80W
100W
110W
120W
140W
190W
200W
220W
250W
320W
350W
360W
370W
380W
400W
420W
440W
470W
500W
510W
530W
550W
600W
700W
800W
1500W
1600W
150W
DC/DC电源模块
12W
24W
25W
30W
32W
45W
70W
80W
90W
100W
140W
150W
200W
360W
370W
400W
430W
500W
800W
小微站点供电设备
一体化集成式
模块化组合式
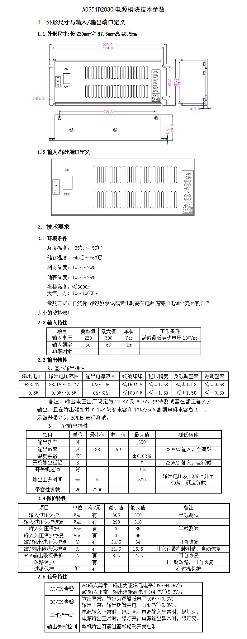
AD351D283C
关于我们
公司简介
组织机构
企业资质
企业文化
产品中心
AC/DC电源模块
DC/DC电源模块
小微站点供电设备
新闻中心
公司新闻
行业新闻
技术支持
技术支持
下载中心
联系我们
联系我们
在线留言
>©2012 深圳市鑫讯霆通信设备有限公司版权所有
粤ICP备13049077号